Product Name
Flat Washers DIN125
Details Information
Introduction
Flat washers come in various sizes for one screw diameter, from tiny to extra-large. The main role of flat washers is to increase the size of a screw’s bearing surface area and reduce the surface pressure applied on the fastened object.
Features
Clean and Versatile Design: The classic plain washer profile offers a clean and versatile platform for diverse fastening applications.
Enhanced Load Distribution: Effectively distributes load across a wider area, reducing stress on your connections and bolstering overall structural integrity.
Reduced Wear and Tear: Protects both the bolt head and the mating surface, extending the life of your components and minimizing maintenance.
Applications
Manufacturing industries
Food processing
Pharmaceuticals
Metal processing
Washing engine parts
Metal processing
Building construction
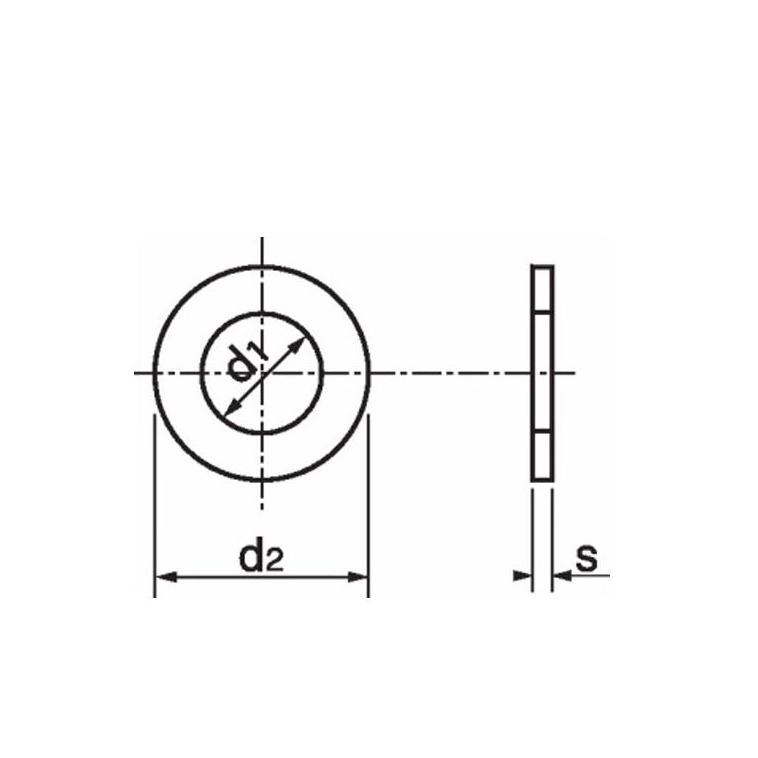
Parameters
| For Size | d1 min | d2 max | s |
|---|---|---|---|
| M 1.6 | 1.7 | 4 | 0.3 |
| M2 | 2.2 | 5 | 0.3 |
| M2.5 | 2.7 | 6 | 0.5 |
| M2.6 | 2.8 | 7 | 0.5 |
| M3 | 3.2 | 7 | 0.5 |
| M3.5 | 3.7 | 8 | 0.5 |
| M4 | 4.3 | 9 | 0.8 |
| M5 | 5.3 | 10 | 1 |
| M6 | 6.4 | 12 | 1.6 |
| M7 | 7.4 | 14 | 1.6 |
| M8 | 8.4 | 16 | 1.6 |
| M10 | 10.5 | 20 | 2 |
| M12 | 13 | 24 | 2.5 |
| M14 | 15 | 28 | 2.5 |
| M16 | 17 | 30 | 3 |
| M18 | 19 | 34 | 3 |
| M20 | 21 | 37 | 3 |
| M22 | 23 | 39 | 3 |
| M24 | 25 | 44 | 4 |
| M27 | 28 | 50 | 4 |
| M30 | 31 | 56 | 4 |
| M33 | 34 | 60 | 5 |
| M36 | 37 | 66 | 5 |
| M39 | 40 | 72 | 6 |
| M42 | 43 | 78 | 7 |
| M45 | 46 | 85 | 7 |
| M48 | 50 | 92 | 8 |
| M52 | 54 | 98 | 8 |
| M56 | 58 | 105 | 9 |







